电动截止阀
阀门首页 > 产品展示 > 截止阀 > 电动截止阀 > 






| 体、盖、板 | 阀杆 | 密封面 | 垫片 | 填料 | 工作温度℃ | 适用介质 |
| WCB | 2Cr13 | 13Cr STL 木体材料 With Body Material 尼龙 Nylon | 增强柔性石墨 Enhanced Flexible Graphite 13Cr/柔性石墨 1Cr13/Flexible Graphite 08软钢 08 Soft Steal 0Cr18Ni9Ti 0Cr17Ni12Mo2Ti XD550F(T) PTFE | 柔性石墨 增强柔性石墨 Flexible Graphite Enhanced Flexible Graphite SFB/260 SFP/260 PTFE | ≤425 | 水 蒸汽 油品 |
| WC1 | 38CrMoAl 25Cr2MoV | ≤450 | ||||
| WC6 | ≤540 | |||||
| WC9 | ≤570 | |||||
| C5 C12 | ≤540 | |||||
| ZGCr5Mo | ≤200 | 硝酸类 | ||||
| ZG1Cr18Ni9Ti | 1Cr18Ni9Ti | |||||
| ≤200 | 醋酸类 | |||||
| ZG1Cr18Ni12Mo2Ti | 1Cr18Ni12Mo2Ti |
| 公称压力 | 1.6 | 2.5 | 4.0 | 6.4 | 10.0 | 16.0 |
| 强度试验 | 2.4 | 3.8 | 6.0 | 9.6 | 15.0 | 24.0 |
| 水密封试验 | 1.8 | 2.8 | 4.4 | 7.0 | 11.0 | 18.0 |
| 上密封试验 | 1.8 | 2.8 | 4.4 | 7.0 | 11.0 | 18.0 |
| 气密封试验 | 0.5-0.7 | |||||
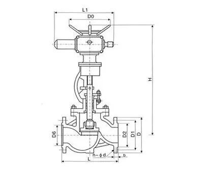
| 2.5MPa | DN | L | D | D1 | D2 | b | n-φd | H | Do | 重量 |
|
凸面法兰 RF J941W J941Y J941W J941F J941N 16C 16P 16R 16I |
10 | 130 | 90 | 60 | 40 | 16 | 4-14 | 198 | 120 | 4.9 |
| 15 | 130 | 95 | 65 | 45 | 16 | 4-14 | 218 | 120 | 5.3 | |
| 20 | 150 | 105 | 75 | 55 | 16 | 4-14 | 258 | 140 | 7.0 | |
| 25 | 160 | 115 | 85 | 65 | 16 | 4-14 | 275 | 160 | 7.4 | |
| 32 | 180 | 135 | 100 | 78 | 18 | 4-18 | 280 | 180 | 8.3 | |
| 40 | 200 | 145 | 110 | 85 | 18 | 4-18 | 330 | 200 | 12.6 | |
| 50 | 230 | 160 | 125 | 100 | 20 | 8-18 | 350 | 240 | 16 | |
| 65 | 290 | 180 | 145 | 120 | 22 | 8-18 | 400 | 280 | 25 | |
| 80 | 310 | 195 | 160 | 135 | 22 | 8-23 | 355 | 280 | 30 | |
| 100 | 350 | 230 | 190 | 160 | 24 | 8-25 | 415 | 320 | 34.8 | |
| 125 | 400 | 270 | 220 | 188 | 28 | 8-25 | 460 | 360 | 89.5 | |
| 150 | 480 | 300 | 250 | 218 | 30 | 12-25 | 510 | 400 | 99 | |
| 200 | 600 | 360 | 310 | 278 | 34 | 12-25 | 710 | 400 | 181 | |
| 250 | 622 | 425 | 370 | 332 | 36 | 12-30 | 786 | 450 | 445 | |
| 300 | 698 | 485 | 430 | 390 | 40 | 16-30 | 925 | 500 | 651 |

上一篇:电动截止阀J941H-16C dn100(多少钱一台) / 下一篇:J941h-25c dn125高温蒸汽电动法兰截止阀