阀门知识
阀门首页 > 阀门知识 > 法兰式电动球阀 球阀配上 电动 执行器 . 电动执行器的执行速度相对较快,并且不需要工人亲力亲为,在很大程度上节约了人力资源以及时间...
如何正确处理 电动截止阀 的内漏外漏问题呢?米兰milan官方网站技术人员为你回答: 外漏还好处理,对于中法兰漏的,把中法兰的 螺栓 再紧...
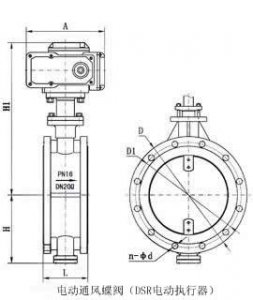
上海湖泉 电动蝶阀 有开关型和智能型二种, 蝶阀 与DSR执行机构配套,输入控制信号(4~20mADC或1~5VDC)及单相电源即可控制运转,具有功能...
在石油、化工、制药、化肥、电力行业等领域,氯气由于其优越的氧化性能,经常在化工反应中被用作氧化剂,同样由于其剧毒性质被人们...
电动高温高压焊接截止阀 如何选型呢? 多回转阀门电动装置 ,简称为DZW型电装,是阀门实现开启、关闭或调节控制的驱动设备。Z型电装适...
电磁阀 是电磁线圈通电后产生磁力吸引克服弹簧的压力带动阀芯动作,就一电磁线圈,结构简单,价格便宜,只能实现开关; 电动阀 是通过...
一、米兰milan官方网站生产的 电动UPVC球阀 是球阀产品的一种,适用于纯水、高低温之药液、食品、温泉水及民生用热水输送系统公称通径15-1...
1、 电动烟道蝶阀厂家 在非工作时间中,阀门关闭,防止大的灰渣进入管道,保护管道生产的安全及可持续进行。本阀采用与阀体相同材料...
米兰milan官方网站有限公司 常年出售电动闸阀,电动蝶阀,电动球阀及电动截止阀,本着诚信服务于客户的理念,以优质的服务,优惠的产品价格,...
1、 防爆电动闸阀厂家 矿用防爆电动闸阀厂家 防护等级为IP68,是少数唯一拥有矿用煤安证和防爆证的企业之一。矿用防爆电动闸阀适用于易...