阀门知识
阀门首页 > 阀门知识 > 手动闸阀的基本介绍 手动闸阀是一种常用的阀门,一般用于截止或调节介质流量。它的结构简单,使用方便,可用于多种压力和温度下的管路。...
将普通闸阀改为自动控制阀涉及多个步骤,包括选择合适的电动执行器、拆卸手动操作部件、安装电动执行器、连接电源和控制线、测试和...
米兰milan官方网站电动闸阀Z941H-16 DN100型号是一种高性能的阀门产品,具有可靠的密封性能和良好的控制特性。该型号闸阀适用于工...
电动闸阀z941h-16c dn65型号说明及意思是什么?Z941H16C-进水电动闸阀公称通径DN500-DN1200可非标定制,公称压力PN1.0-1.6MPa,法兰连接,明杆楔式,适用...
电动闸阀Z941H-16C DN50是一款用于控制流体介质的阀门,广泛应用于石油、化工、火力发电厂等油品、水、蒸汽管路上,作为接通或截断管路...
电动闸阀 Z941H-2.5 DN200 不配电动头 与现场电动头配合 电动头为220VZ941H-25 DN200双法兰连接高温电动闸阀是在管路中用途比较广的一种阀门,主...
矿用电动阀门包括哪些型号,与普通阀门区别在哪?矿用电动阀门包括多种型号,矿用闸阀,矿用球阀,矿用蝶阀,矿用执行器等,与普通...
DN100开关型电动闸阀改智能调节型电动闸阀?能调节电动闸阀就是用调节型电动执行器控制阀门,从而实现阀门的开和关。其可分为上下两部...
封蝶阀配以电动执行器,可实现远距离控制和自动化操作。电动多层次金属密封蝶阀系列产品,系使用时间长、节能型蝶阀。其结构采用三维编...
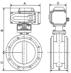
d941X-16c电动蝶阀的型号意义及结构详细图解 d代表蝶阀。 9代表驱动装置是电动。 4代表阀门与管道的连接方式是法兰连接。 数字1有两种说...