通风蝶阀
阀门首页 > 产品展示 > 蝶阀 > 通风蝶阀 > 





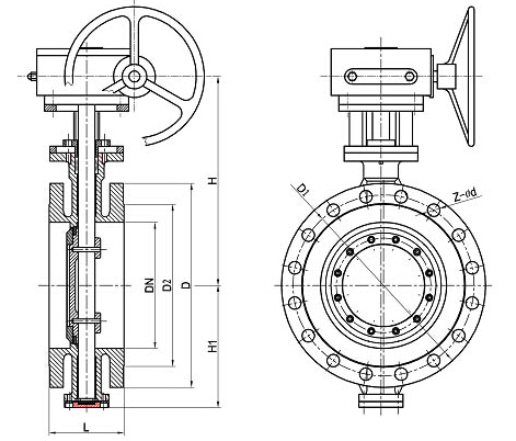
| 公称通径mm | 50~1200 |
| 公称压力(MPa) | PN0.1、0.25、0.6、1.0 |
| 介质温度℃ | -40~+450(钢板卷焊),+450以上(不锈钢板卷焊) |
| 转角范围 | 0-90度 |
| 流量特性 | 近似百分比 |
| 法兰标准 | GB/T9115-2000钢制管法兰焊接标准(也可按照客户尺寸定做非标产品) |
| 配置执行机构 | 可配HQ等系列角行程电动执行机构 |
| 控制方式 | 开关到位灯(开关两位控制)、智能调节(4~20mA模拟量信号控制) |
| TD941W-0.5/2.5/6 (C.P.R.V) | |||||||||||||||
| 公称通径 | 结构长度 | 外形尺寸(参考值) | 连接法兰尺寸 | 参考重量(Kg) | |||||||||||
| 0.05MPa和0.25MPa | 0.6MPa | ||||||||||||||
| 毫米 mm | 英寸in | L | H | H0 | A | B | D | D1 | D2 | n-d | D | D1 | D2 | n-d | |
| 50 | 2 | 108 | 70 | 418 | 250 | 225 | 140 | 110 | 88 | 4-18 | 140 | 110 | 88 | 4-14 | , 14 |
| 65 | 21/2 | 112 | 80 | 438 | 250 | 225 | 160 | 130 | 108 | 4-18 | 160 | 130 | 108 | 4-14 | 15 |
| 80 | 3 | 114 | 95 | 466 | 250 | 225 | 190 | 150 | 124 | 4-18 | 190 | 150 | 124 | 4-18 | 17 |
| 100 | 4 | 127 | 105 | 486 | 250 | 225 | 210 | 170 | 144 | 4-18 | 210 | 170 | 144 | 4-18 | 20 |
| 125 | 5 | 140 | 120 | 516 | 325 | 245 | 240 | 200 | 174 | 8-18 | 240 | 200 | 174 | 8-18 | 25 |
| 150 | 6 | 140 | 132 | 541 | 325 | 245 | 265 | 225 | 199 | 8-18 | 265 | 225 | 199 | 8-18 | 29 |
| 200 | 8 | 152 | 160 | 779 | 325 | 245 | 320 | 280 | 254 | 8-18 | 320 | 280 | 254 | 8-18 | 47 |
| 250 | 10 | 165 | 187 | 836 | 363 | 313 | 375 | 335 | 309 | 12-18 | 375 | 335 | 309 | 12-18 | 67 |
| 300 | 12 | 178 | 220 | 901 | 363 | 313 | 440 | 395 | 363 | 12-22 | 440 | 395 | 363 | 12-22 | 78 |
| 350 | 14 | 190 | 245 | 954 | 363 | 313 | 490 | 445 | 413 | 12-22 | 490 | 445 | 413 | 12-22 | 96 |
| 400 | 16 | 216 | 270 | 1003 | 363 | 313 | 540 | 495 | 463 | 16-22 | 540 | 495 | 463 | 16-22 | 130 |
| 450 | 18 | 222 | 297 | 1058 | 465 | 439 | 595 | 550 | 518 | 16-22 | 595 | 550 | 518 | 16-22 | 142 |
| 500 | 20 | 229 | 322 | 1111 | 546 | 556 | 645 | 600 | 568 | 20-22 | 645 | 600 | 568 | 20-22 | 191 |
| 600 | 24 | 267 | 377 | 1233 | 546 | 556 | 755 | 705 | 667 | 20-26 | 755 | 705 | 667 | 20-26 | 230 |
| 700 | 28 | 292 | 430 | 1338 | 546 | 556 | 860 | 810 | 772 | 24-26 | 860 | 810 | 772 | 24-26 | 250 |
| 800 | 32 | 318 | 487 | 1452 | 546 | 556 | 975 | 920 | 878 | 24-30 | 975 | 920 | 878 | 24-30 | 320 |
| 900 | 36 | 330 | 537 | 1588 | 632 | 706 | 1075 | 1020 | 978 | 24-30 | 1075 | 1020 | 978 | 24-30 | 410 |
| 1000 | 40 | 410 | 587 | 1689 | 632 | 706 | 1175 | 1120 | 1078 | 28-30 | 1175 | 1120 | 1078 | 28-30 | 510 |
| 1200 | 48 | 470 | 687 | 1938 | 632 | 706 | 1375 | 1320 | 1280 | 32-30 | 1405 | 1340 | 1295 | 32-33 | 720 |
| 1400 | 56 | 530 | 760 | 2670 | 790 | 1338 | 1575 | 1520 | 1480 | 36-30 | 1603 | 1560 | 1510 | 36-36 | 1270 |
| 1600 | 64 | 600 | 895 | 2810 | 868 | 1476 | 1790 | 1730 | 1690 | 40-30 | 1830 | 1760 | 1710 | 40-36 | 1730 |
| 1800 | 72 | 670 | 995 | 3020 | 868 | 1476 | 1990 | 1930 | 1890 | 44-30 | 2045 | 1970 | 1918 | 44-39 | 2750 |
| 2000 | 80 | 760 | 1095 | 3220 | 965 | 1600 | 2190 | 2130 | 2090 | 48-30 | 2265 | 2180 | 2125 | 48-42 | 3050 |

上一篇:烟气管道电动通风蝶阀 / 下一篇:通风电动蝶阀