电动执行器
阀门首页 > 产品展示 > 电动执行器 > 





DKZ型直行程电动执行机构可以与DDZ-Ⅲ型仪表配套使用,也可以与组装仪表及TA仪表配用。它以220V电源为动力,接受统一的标准信号 4-20mmA.DC,将此转变成与输入信号相对应的出轴直线位移,自动地操纵调节阀或其它终端机构等完成自动调节任务,或者配用电动操作器实行手动遥 控。广泛地用于发电厂、钢铁、石油、化工、轻工等工业部门的调节系统中。
该仪表具有连续调节、手动遥控、就地手操三种控制方式。使用DKZ型直行程电动执行机构的自动调节系统需配用ZPE-2030型伺服放大器、DFD-1000型电动操作器后才可实现自动调节系统手动自动无扰动切换。
| 项目名称 | DKZ标准型(不带H) | DKZ户外型(带H) | |
|---|---|---|---|
| 控制机构 | 输入信号 | 无 | |
| 反馈信号 | 0—10mAdc 4—20mAdc | ||
| 死区 | 0.4%—3% | 0.4%—3% | |
| 基本误差 | ±2.5% | ±2.5% | |
| 回差 | ≤1.5% | ≤1.5% | |
| 限位 | 开侧/闭侧 | 开侧/闭侧 | |
| 开度检测 | 精密导电塑料电位器 | 精密导电塑料电位器 | |
| 动力 | 动力 | 220V/50Hz | 220V/50Hz |
| 驱动电机 | 伺服电机 | 伺服电机 | |
| 附属机构 | 加热器 | 选择件 | 选择件 |
| 手动机构 | 手轮 | 手轮 | |
| 安装条件 | 环境温度 | 无加热器—25℃~+70℃ | 无加热器—25℃~+70℃ |
| 相对湿度 | <95% | <95% | |
| 环境气体 | 无腐蚀性气体 | 无腐蚀性气体 | |
| 接线口 | 十四线插头 | 接线柱 | |
| 防护等级 | IP65 | ||
| 型号 | 额定负载(N) | 额定行程 (mm) | 全行程时间 (S) | 额定电流(A) | 质量(Kg) |
|---|---|---|---|---|---|
| DKZ-310(H) | 4000 | 10 | 8 | 0.65 | 50 |
| 16 | 125 | ||||
| 25 | 20 | ||||
| 30 | 24 | ||||
| DKZ-410(H) | 6400 | 18 | 16 | 0.65 | 50 |
| 30 | 24 | ||||
| 40 | 32 | ||||
| 60 | 50 | ||||
| DKZ-510(H) | 16000 | 30 | 16 | 1.5 | 95 |
| 50 | 30 | ||||
| 60 | 40 | ||||
| 100 | 60 | ||||
| DKZ-610(H) | 25000 | 30 | 16 | 2.5 | 110 |
| 50 | 30 | ||||
| 60 | 40 | ||||
| 100 | 60 |


一、①直行程电动执行器产品名称与型号②直行程电动执行器口径③是否带附件以便我们的为您正确选型。
二、若已经由设计单位选定上海湖泉的直行程电动执行器型号,请按直行程电动执行器型号直接向我司销售部订购。
三、当使用的场合非常重要或环境比较复杂时,请您尽量提供设计图纸和详细参数,由我们的湖泉阀门专家为您审核把关。
感谢您访问我们的网站【/】,如有任何疑问.您可以致电给我们,我们一定会尽心尽力为您提供优质的服务
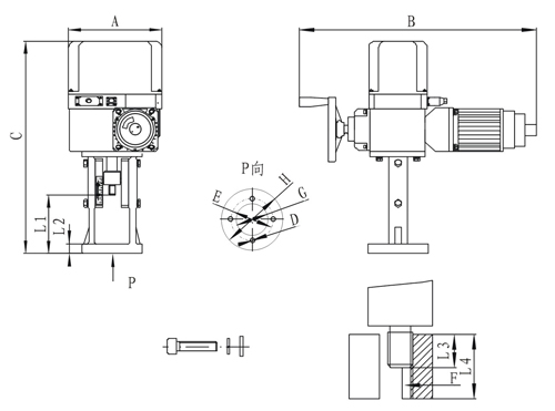
| 型号 | 长X宽X高 | 阀杆连接螺孔F | 法兰连接孔距E | 法兰连接孔距E | 法兰吻合内径G | 公称通径 | 连接头至法兰底端 | |
|---|---|---|---|---|---|---|---|---|
| AXBXC | Dg | 行程 | L | |||||
| DKZ310 | 230X460X490 |
M8 |
Φ80 |
2一Φ11 |
Φ60 | 25、32 | 10 | 85.5 |
| —— | 16 | 79.5 | ||||||
| 40、50 | 25 | 70.5 | ||||||
| DKZ410 | 230X530X540 | M12X1.25 | Φ105 | 4一Φ11 | Φ80 | 65、80、100 | 40 | 107 |
| 230X460X575 | M16X1.5 | Φ118 | 4一Φll | Φ95 | 125、150 | 60 | 112 | |
| DKZ510 | 260X630X625 | M16X1.5 | Φ118 | 4一Φll | Φ95 | 200 | 60 | 113 |
| 260X630X645 | M20X1.5 | Φ130 | 4一Φ18 | Φ100 | 300、250 | 100 | 93 | |
| DKZ610 | 260X720X625 | M16X1.5 | Φ118 | 4一Φ1l | Φ95 | 400、500 | 60 | 113 |
| 260X720X645 | M20X1.5 | Φ130 | 4一Φ18 | Φ100 | 500、600 | 100 | 93 | |

上一篇:DKJ/ZKJ角行程电动执行器(角行程电动执行机构) / 下一篇:西门子2SA3系列多回转电动执行机构