企业动态
阀门首页 > 新闻资讯 > 企业动态 > 

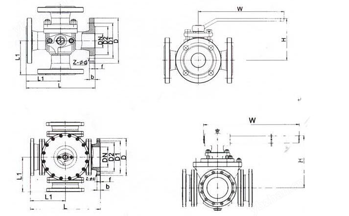
零件材料:
|
阀体/阀盖 |
GB |
WCB |
ZGlCrl8Ni9Ti |
ZGOCfl8Nil2M02Ti |
|||
|
ASTM |
WCB |
CF8 |
CF8M |
||||
|
球体 |
GB |
2Crl3 |
1Cfl8Ni9Ti |
0Cfl8Ni12M02Ti |
|||
|
ASTM |
420 |
304 |
316 |
||||
|
阀杆 |
GB |
2Crl3 |
1Crl8Ni9Ti |
0Crl8Ni12M02Ti |
|||
|
ASTM |
420 |
304 |
316 |
||||
|
阀座 |
GB |
聚四氟乙烯 |
对位聚苯 |
聚四氟乙烯 |
对位聚苯 |
聚四氟乙烯 |
对位聚苯 |
|
ASTM |
聚四氟乙烯 |
对位聚苯 |
聚四氟乙烯 |
对位聚苯 |
聚四氟乙烯 |
对位聚苯 |
|
|
填料 |
GB |
聚四氟乙烯 |
柔性石墨 |
聚四氟乙烯 |
柔性石墨 |
聚四氟乙烯 |
柔性石墨 |
|
ASTM |
聚四氟乙烯 |
柔性石墨 |
聚四氟乙烯 |
柔性石墨 |
聚四氟乙烯 |
柔性石墨 |
|
|
螺栓 |
GB |
35 |
0Crl8Ni9 |
0Crl8Ni9 |
|||
|
ASTM |
A193B7 |
A320-B8 |
A320-B8 |
||||
|
螺母 |
GB |
45 |
0Cfl8Ni9 |
0Crl8Ni9 |
|||
|
ASTM |
A1942H |
A194-8 |
A194-8 |
||||

性能规范:
|
公称压力(MPa) |
常温最大工作压力(MPa) |
壳体试验压力(MPa) |
气密封试验压力(MPa) |
高压密封试验压力(MPa) |
|
PN1.6 |
1.6 |
2.4 |
0.6 |
1.76 |
|
PN2.5 |
2.5 |
3.8 |
0.6 |
2.75 |
|
PN4.0 |
4.0 |
6.0 |
0.6 |
4.4 |
|
l50LB |
2.0 |
3.0 |
0.6 |
2.2 |
上一篇: 十堰不锈钢三通球阀厂家供货,三通球阀厂家安装方便 / 下一篇:大口径阀门闸阀厂家,大口径阀门生产厂家