新闻资讯
阀门首页 > 新闻资讯 > 米兰milan官方网站是一家煤气闸阀生产,阀门厂家有哪些品牌,煤气阀哪个牌子质量好是煤气系统中起关键作用的装置之一,选择...
米兰milan官方网站煤矿本安型电动阀门现货生产厂家,煤矿行业作为我国能源开采的重要组成部分,对生产设备的安全性和可靠性有着极高的要...
米兰milan官方网站是电动阀门专业生产厂家,主营产品:电动阀门,电动蝶阀,电动球阀,电动排泥阀,电动调节阀,电动闸阀等产品,质量保...
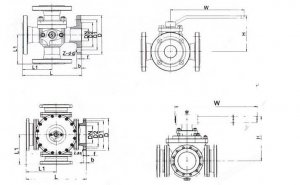
不锈钢三通四通球阀是一种常见的工业管道设备,它具有高强度、耐腐蚀等优点,被广泛应用于各个领域。作为一家专业的不锈钢三通四通...
十堰不锈钢三通球阀厂家供货,三通球阀厂家安装方便。不锈钢三通球阀作为一种重要的管道连接件,广泛应用于石油、化工、冶金、电力...
本文将介绍三通球阀厂家和三通调节电动球阀厂家的相关信息。作为专业制造商,我们致力于提供高质量的产品和优质的服务。 三通球阀是...
在现代工业领域中,z941h电动闸阀是一种常见的控制装置,广泛应用于液体、气体等介质的流量控制。z941h电动闸阀厂家为市场提供了各种规...
米兰milan官方网站是专业的矿用电动闸阀,电动对夹式蝶阀,矿用瓦斯专用蝶阀厂家,公司是专业从事各种类阀门电动装置、电动阀门...
根据您提供的主题,我们将为您提供关于内蒙古手动闸阀厂家直销价格查询和价格表的相关信息。手动闸阀是一种常见的工业设备,用于控...
重庆手动闸阀销售厂家直销电话提供服务周到,产品质量可靠,深受广大客户的信赖和好评。作为一家专业的手动闸阀销售厂家,公司拥有...