蝶阀知识
阀门首页 > 阀门知识 > 蝶阀知识 > 电动蝶阀由电动执行器和蝶阀组成,电动执行器为90度旋转,有开关和调节式两种控制方式,通过电动执行器旋转带动蝶阀的开启与关闭。具备手动操作功能,在断电时通过手动操作来开关蝶阀。
常见的电动蝶阀接线图如下:
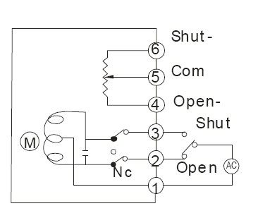
开关型带有源灯指示电动蝶阀接线图,共有5根接线,1,2,3是控制部分,1,4,5是反馈部分

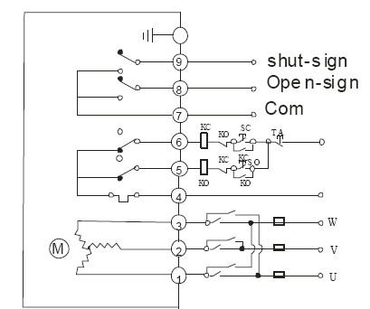
开关型带无源触点型反馈电动蝶阀接线图,1,2,3是控制部分接线,4,5,6为无源触点反馈

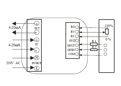
开关型带开度信号反馈电动蝶阀接线图。1,2,3为控制接线部分,4,5,6为反馈部分,输出0-5K的电阻值,可以选定

AC380V三相电源电动蝶阀接线图



上一篇:电动法兰蝶阀安装注意事项及特点 / 下一篇:信号蝶阀的安装使用及注意事项