蝶阀知识
阀门首页 > 阀门知识 > 蝶阀知识 > 
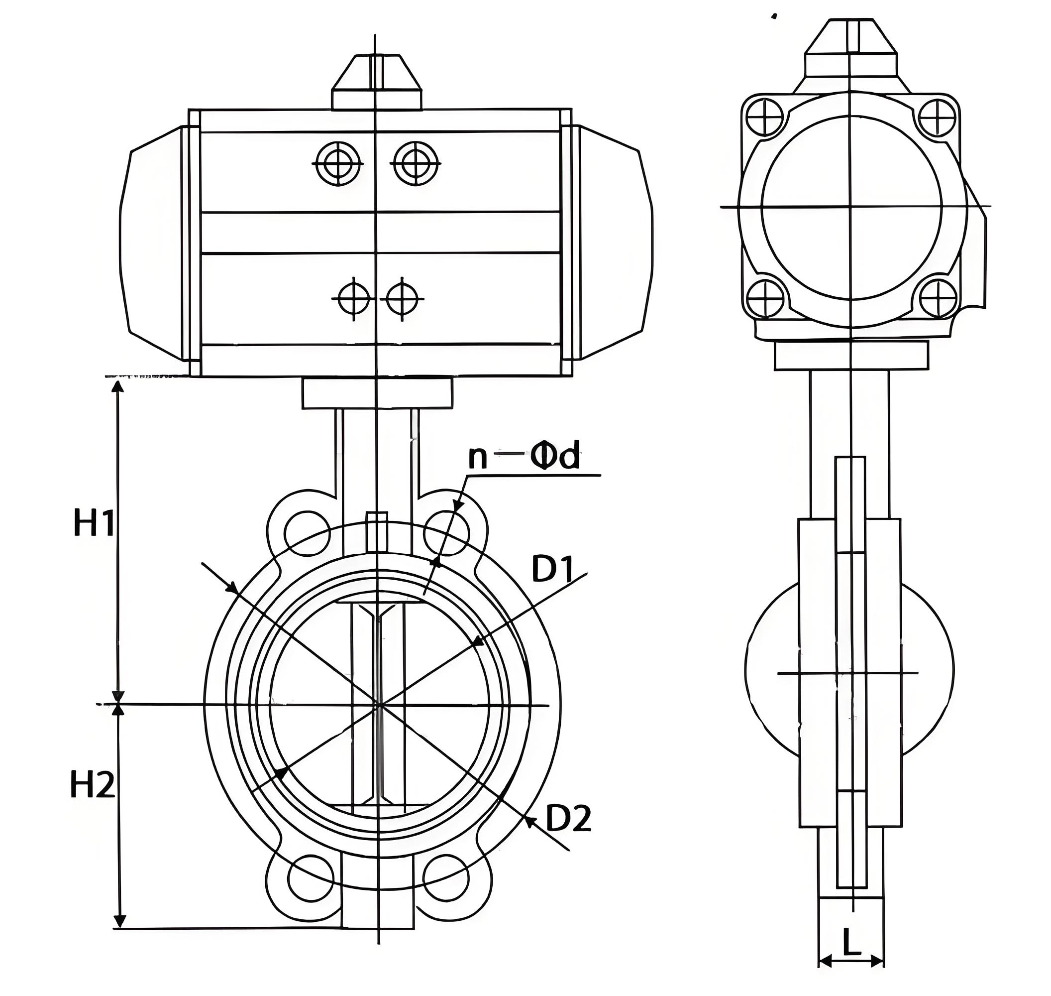
采用对夹式结构,蝶板安装在管道直径方向,通过阀体圆柱形通道内圆盘形蝶板的旋转(0°-90°)实现开关控制。阀体材质包括 球墨铸铁 、 碳钢 或 不锈钢 ,阀板材质为 球墨铸铁 、304/ 316不锈钢 或 尼龙 ,适用于不同工况需求。
适用于食品、化工、石油、电力、环保等行业的流体控制场景,尤其适合粘稠、含颗粒或纤维介质的管道。其密封设计可实现双向密封(零泄漏),且可在任何位置安装。



上一篇:电动蝶阀D943-16C DN800产品介绍及结构图 / 下一篇:大口径供热电动蝶阀DN1200 2.5MPa≥130℃